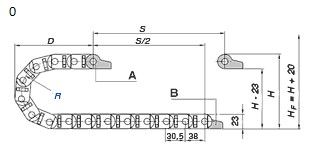
E2迷你型拖鏈 - 一片式或兩片式 - 小型及中型 E2迷你型拖鏈為小型一片式或兩片式拖鏈,非常合適高速應用。易格斯還提供各種附件及固定選配件。許多類型都“可升級”至可打開型號。此時為可互換產品,也可作為更換部件。 B15系列 - 鏈, 可沿外徑方向快速打開 1.大尺寸銷和雙重限位塊可實現極長的使用壽命和架空長度 2.沿著外徑(B15系列)以及/沿著內徑(B15i系列)打開,并可組合使用 3. 一體式去應力接頭 4. 抗污垢外殼 5.可提供內部分隔系統 可提供內寬Bi: 15 - 100 mm 可提供彎曲半徑 R: 38 - 180 mm 節距:30,5 mm/鏈節 = 33 鏈節數/m "E2迷你型拖鏈"B15系列適用場合 必須可打開橫桿 要求可選用多種安裝選項(Quicksnap, Quickfix等) 要求采用小型單非常穩定的拖鏈 安裝尺寸 | 產品代號 : | | 內寬Bi [mm]: | 152538506380100 | 彎曲半徑R [mm]: | 384875100110125145180 | 行距S [mm]: | | 固定端dM [mm]: | | 拖鏈長度** [mm]: | 701.5 | 鏈節數量 : | 23 | 外寬Ba [mm]: | 26 | H* [mm]: | 99 | D [mm]: | 95 | K [mm]: | 185 | Hi [mm]: | 17 | Ha [mm]: | 23 | 每鏈節重量 [g]: | - | 重量 [kg/m]: | 0.35 | 所要求的間隙高度是,這適用于所有類型的應用 如果安裝空間有嚴格限制,請咨詢易格斯 | **與鏈長相符計算長度免固定架 |
在線服務: 查詢/訂單 | > 0 m根據客戶要求 

|
A=移動端 , B=固定端 節距:30,5mm/鏈節 每米鏈節數= 33 行程:S 拖鏈長度 = S/2 + K 架空長度 取決于附加負載時的架空長度 X軸:架空長度FLB/FLG(m) Y軸:附加負載(kg/m) 低刻度:行程以米為單位 FLB=安全塌腰架空長度 FLG = 直線架空長度 舉例 A: 填充重量 = 0,75 [千克/米] 架空長度 FLB=0,85米 行程= 3,5 m 


頂部:1015.34.P(Z) - 1050.34.P(Z) 底部:105.34.P(Z) - 107.34.P(Z)
| 通過眾多接頭選項,可在拖鏈的固定端/移動端選擇不同的緊固方式(活動式) |
這個選項不可用于已選定的拖鏈。 全套帶梳狀板全套 接頭 - "活動式",全套帶梳狀板 | 產品代號 : | 1015.34PZ | A [mm]: | - | B [mm]: | 25.5 | 齒數 : | 2 |
|