注(zhu)塑機(ji),廣泛應(ying)用于橡(xiang)塑以及部分金屬加工(gong)行業。它的工(gong)作原(yuan)理(li)是通過(guo)將熱(re)塑性或熱(re)熔性材料(liao)灌(guan)入噴射機(ji)構,高速射出(chu)填充模具,再經過(guo)高溫或冷卻(que)進而成型(xing)。注(zhu)塑機(ji)按照其(qi)合模動(dong)作方式(shi)可(ke)分為立式(shi)注(zhu)塑機(ji)和臥式(shi)注(zhu)塑機(ji),按照其(qi)動(dong)力源(yuan)可(ke)分為電動(dong)注(zhu)塑機(ji)以及液壓注(zhu)塑機(ji)。 注塑機(ji)根據(ju)其所產生的(de)(de)合(he)模力的(de)(de)不同,機(ji)型大(da)(da)小也會有(you)所不同。小的(de)(de)可(ke)以小到僅能容納(na)身體(ti)局部(bu)進(jin)入機(ji)器,而大(da)(da)的(de)(de)則(ze)可(ke)大(da)(da)到合(he)模區(qu)內可(ke)同時容納(na)2-3人(ren)。 注塑機的風險點分析(xi) 下圖是一臺完全沒有防護的注塑機,充斥著危險的可移動部件,如果不采取任何的安全防護,這無異于是一個“處于活動狀態的活火山”,隨時可能爆發,造成嚴重的傷害事故。 
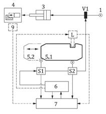
但(dan)對于技術人員(yuan)而(er)言,如果不(bu)太了解注(zhu)塑機(ji)安全(quan)防(fang)護(hu)的(de)(de)要(yao)求,想要(yao)對這樣一(yi)臺機(ji)器完成(cheng)一(yi)次全(quan)面的(de)(de)風險評(ping)估(gu),以確(que)定(ding)合適的(de)(de)安全(quan)防(fang)護(hu)措施,也不(bu)是一(yi)件容易(yi)的(de)(de)事情。 不了(le)解標準要(yao)求,一切的安全防護方案都(dou)是(shi)“空(kong)談(tan)”。 ● ISO 20430—全球首個注塑(su)機統一國(guo)際安全標準 注(zhu)塑(su)(su)機的(de)C類標準(zhun)(zhun)(zhun)ISO 20430(Plastics and rubber machines — Injection moulding machines — Safety requirements),是(shi)基于歐洲標準(zhun)(zhun)(zhun)EN201:2009的(de)注(zhu)塑(su)(su)機行業的(de)首(shou)個(ge)(ge)國際安全(quan)標準(zhun)(zhun)(zhun),發(fa)布于2020年,為注(zhu)塑(su)(su)機制造(zao)商提(ti)供了一個(ge)(ge)全(quan)球統一的(de)標準(zhun)(zhun)(zhun),這意味著制造(zao)商不(bu)再需(xu)要(yao)根據(ju)各個(ge)(ge)市場的(de)安全(quan)要(yao)求(qiu)來調試(shi)制造(zao)他們(men)的(de)設備。 ● 注塑機合模/鎖模區的(de)安全防護示例 借助標(biao)準的幫助,我們可以(yi)快(kuai)速認識注塑機的結構以(yi)及每個區(qu)(qu)域之間存在的風(feng)險點(dian),甚至(zhi)標(biao)準中還給出了不同區(qu)(qu)域的防(fang)護要求,拿風(feng)險最明(ming)顯的合模(mo)區(qu)(qu)以(yi)及鎖模(mo)區(qu)(qu)舉(ju)例,ISO 20403的4.3章節提到:應當采用如下一種(zhong)或(huo)多種(zhong)方(fang)式來防(fang)止接觸合模(mo)區(qu)(qu)/鎖模(mo)區(qu)(qu)的危(wei)險運動: a)聯鎖防護 打開聯鎖(suo)防護應當: 停止活板以及合模機(ji)構(gou)的動作(zuo),安全回路(lu)滿足Protective Type II or PLr = d,并且 停止點動防護門的動作,安全回路滿足Protective Type I or PLr = c b)加裝光柵 遮擋光柵停止危險動作,安全回路滿(man)足PLr = d c)如果僅在機器修理和維護(hu)時接觸合模區(qu),則加裝固定式防(fang)護(hu)即可 在(zai)大(da)部(bu)分情況下(xia),對(dui)于合模區(qu)的防護(hu)需(xu)要采用SRP/CS的方式進行(xing)風險降(jiang)低。ISO 20403標(biao)準中給出了(le)參考(kao)做法以及所需(xu)的安(an)全功能等級(ji)。其中PLr指(zhi)(zhi)的是ISO ISO 13849-1中的性能等級(ji),相信(xin)這個大(da)家應該都不(bu)太陌生(sheng)了(le),但這里說(shuo)的Protective Type指(zhi)(zhi)的是什么呢? Protective Type基本概念: ISO 20430針對注塑機(ji)安全回路提出的等效要求,滿足Protective Type或滿足與之(zhi)對應的PLr都是可以(yi)接受(shou)的。 Protective Type具體(ti)的(de)(de)(de)要(yao)求內容在標準(zhun)ISO 20403的(de)(de)(de)附錄A中進行了詳細的(de)(de)(de)說明,并且針對電動機(ji)型和液壓機(ji)型還有不(bu)同的(de)(de)(de)要(yao)求,如下圖所示(shi)的(de)(de)(de)兩種不(bu)同的(de)(de)(de)Protective Type II: 
液壓注塑機 
電動注(zhu)塑(su)機 標準中給出了安全(quan)功能(neng)的系統示意圖并配有(you)詳盡的文(wen)字說明。感興趣(qu)的小伙伴,可(ke)以翻(fan)閱標準原(yuan)文(wen)。 皮爾(er)磁作為機械(xie)安全專家(jia),非常(chang)樂意用(yong)安全知(zhi)識幫(bang)助用(yong)戶(hu)解決問題,為用(yong)戶(hu)的(de)設備升(sheng)級(ji)改(gai)造助力。 皮爾磁中國 銷售(shou)咨詢熱(re)線:4006 4006 50 網址: www.pilz.com.cn
|